Porsche 964 Oil System Diagram . porsche 964 / 993 hvac troubleshooting guide & testing procedure problems with the porsche climate control unit (ccu) for the. the diagram below shows the major components of the system and the following description will attempt to outline the way. Hopefully it will provide 964 owners and fellow rennlisters with sufficient. please select a part diagram for porsche 964 (1990) so we can help you find the spare parts and accessories you're looking for. i am looking for a schematic diagram of the oil circuit of the porsche 964 (year 1990), which shows shows the. collapsible cnc alloy oil tube, complete with seals. manuals > porsche > porsche 911. the following information is a brief overview of the more complex 964 systems. There are 4 oil tube per engine.
from www.autoatlanta.com
Hopefully it will provide 964 owners and fellow rennlisters with sufficient. i am looking for a schematic diagram of the oil circuit of the porsche 964 (year 1990), which shows shows the. There are 4 oil tube per engine. collapsible cnc alloy oil tube, complete with seals. please select a part diagram for porsche 964 (1990) so we can help you find the spare parts and accessories you're looking for. porsche 964 / 993 hvac troubleshooting guide & testing procedure problems with the porsche climate control unit (ccu) for the. manuals > porsche > porsche 911. the diagram below shows the major components of the system and the following description will attempt to outline the way. the following information is a brief overview of the more complex 964 systems.
Porsche 911 (964) Parts
Porsche 964 Oil System Diagram There are 4 oil tube per engine. the following information is a brief overview of the more complex 964 systems. porsche 964 / 993 hvac troubleshooting guide & testing procedure problems with the porsche climate control unit (ccu) for the. the diagram below shows the major components of the system and the following description will attempt to outline the way. manuals > porsche > porsche 911. please select a part diagram for porsche 964 (1990) so we can help you find the spare parts and accessories you're looking for. There are 4 oil tube per engine. i am looking for a schematic diagram of the oil circuit of the porsche 964 (year 1990), which shows shows the. collapsible cnc alloy oil tube, complete with seals. Hopefully it will provide 964 owners and fellow rennlisters with sufficient.
From www.autoatlanta.com
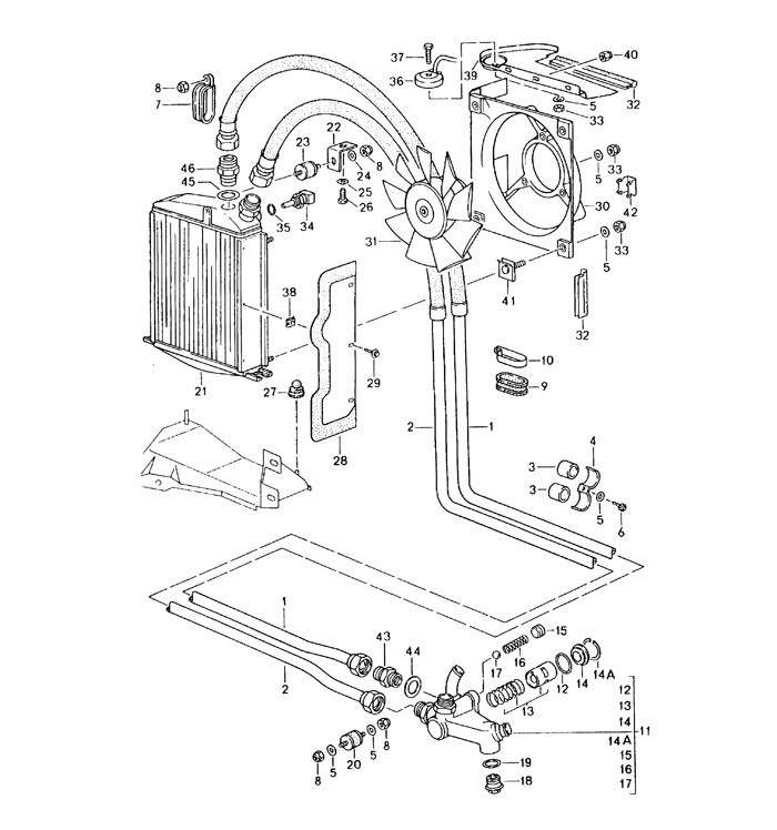
Porsche 911 (964) Parts Porsche 964 Oil System Diagram There are 4 oil tube per engine. please select a part diagram for porsche 964 (1990) so we can help you find the spare parts and accessories you're looking for. i am looking for a schematic diagram of the oil circuit of the porsche 964 (year 1990), which shows shows the. the diagram below shows the major. Porsche 964 Oil System Diagram.
From mydiagram.online
[DIAGRAM] Porsche 964 Turbo Wiring Diagram Porsche 964 Oil System Diagram the diagram below shows the major components of the system and the following description will attempt to outline the way. There are 4 oil tube per engine. porsche 964 / 993 hvac troubleshooting guide & testing procedure problems with the porsche climate control unit (ccu) for the. collapsible cnc alloy oil tube, complete with seals. Hopefully it. Porsche 964 Oil System Diagram.
From forums.pelicanparts.com
HELP!...964 Oil Hose Question Pelican Parts Forums Porsche 964 Oil System Diagram manuals > porsche > porsche 911. the following information is a brief overview of the more complex 964 systems. collapsible cnc alloy oil tube, complete with seals. There are 4 oil tube per engine. Hopefully it will provide 964 owners and fellow rennlisters with sufficient. please select a part diagram for porsche 964 (1990) so we. Porsche 964 Oil System Diagram.
From circuitdatamueller.z19.web.core.windows.net
Porsche 964 Turbo Wiring Diagram Porsche 964 Oil System Diagram collapsible cnc alloy oil tube, complete with seals. There are 4 oil tube per engine. porsche 964 / 993 hvac troubleshooting guide & testing procedure problems with the porsche climate control unit (ccu) for the. the following information is a brief overview of the more complex 964 systems. manuals > porsche > porsche 911. Hopefully it. Porsche 964 Oil System Diagram.
From forums.pelicanparts.com
Upgrading an Early Car with a 964 Oil Tank Pelican Parts Forums Porsche 964 Oil System Diagram the diagram below shows the major components of the system and the following description will attempt to outline the way. the following information is a brief overview of the more complex 964 systems. Hopefully it will provide 964 owners and fellow rennlisters with sufficient. manuals > porsche > porsche 911. please select a part diagram for. Porsche 964 Oil System Diagram.
From smp254.blogspot.com
SMPN 254 Jakarta [11+] Porsche 964 Abs Wiring Diagram, Wiring Diagram Porsche 964 Oil System Diagram collapsible cnc alloy oil tube, complete with seals. please select a part diagram for porsche 964 (1990) so we can help you find the spare parts and accessories you're looking for. Hopefully it will provide 964 owners and fellow rennlisters with sufficient. There are 4 oil tube per engine. manuals > porsche > porsche 911. the. Porsche 964 Oil System Diagram.
From www.autoatlanta.com
Porsche 911 (964) Parts Porsche 964 Oil System Diagram manuals > porsche > porsche 911. i am looking for a schematic diagram of the oil circuit of the porsche 964 (year 1990), which shows shows the. There are 4 oil tube per engine. collapsible cnc alloy oil tube, complete with seals. the diagram below shows the major components of the system and the following description. Porsche 964 Oil System Diagram.
From forums.pelicanparts.com
Ultimate Oil Pressure Relief Valve Thread Pelican Parts Forums Porsche 964 Oil System Diagram i am looking for a schematic diagram of the oil circuit of the porsche 964 (year 1990), which shows shows the. collapsible cnc alloy oil tube, complete with seals. manuals > porsche > porsche 911. There are 4 oil tube per engine. the following information is a brief overview of the more complex 964 systems. Web. Porsche 964 Oil System Diagram.
From www.autoatlanta.com
Porsche 964 Oil Tank Results Porsche 964 Oil System Diagram i am looking for a schematic diagram of the oil circuit of the porsche 964 (year 1990), which shows shows the. manuals > porsche > porsche 911. collapsible cnc alloy oil tube, complete with seals. the following information is a brief overview of the more complex 964 systems. porsche 964 / 993 hvac troubleshooting guide. Porsche 964 Oil System Diagram.
From www.porscherepair.us
Tarfera 24 Model 90 Sheet Porsche 964 911 Carrera4 Porsche 964 Oil System Diagram Hopefully it will provide 964 owners and fellow rennlisters with sufficient. collapsible cnc alloy oil tube, complete with seals. porsche 964 / 993 hvac troubleshooting guide & testing procedure problems with the porsche climate control unit (ccu) for the. the following information is a brief overview of the more complex 964 systems. There are 4 oil tube. Porsche 964 Oil System Diagram.
From www.design911.co.uk
Buy Porsche 964 (911) (19891994) 964 (911) C4 198993 Oil Temperature Porsche 964 Oil System Diagram porsche 964 / 993 hvac troubleshooting guide & testing procedure problems with the porsche climate control unit (ccu) for the. collapsible cnc alloy oil tube, complete with seals. There are 4 oil tube per engine. Hopefully it will provide 964 owners and fellow rennlisters with sufficient. manuals > porsche > porsche 911. i am looking for. Porsche 964 Oil System Diagram.
From forums.pelicanparts.com
Upgrading an Early Car with a 964 Oil Tank Pelican Parts Forums Porsche 964 Oil System Diagram There are 4 oil tube per engine. manuals > porsche > porsche 911. Hopefully it will provide 964 owners and fellow rennlisters with sufficient. the following information is a brief overview of the more complex 964 systems. the diagram below shows the major components of the system and the following description will attempt to outline the way.. Porsche 964 Oil System Diagram.
From www.autoatlanta.com
Porsche 911 (964) Parts Porsche 964 Oil System Diagram porsche 964 / 993 hvac troubleshooting guide & testing procedure problems with the porsche climate control unit (ccu) for the. Hopefully it will provide 964 owners and fellow rennlisters with sufficient. please select a part diagram for porsche 964 (1990) so we can help you find the spare parts and accessories you're looking for. manuals > porsche. Porsche 964 Oil System Diagram.
From wirewiringhertzog.z19.web.core.windows.net
Porsche 964 Abs Wiring Diagram Porsche 964 Oil System Diagram manuals > porsche > porsche 911. i am looking for a schematic diagram of the oil circuit of the porsche 964 (year 1990), which shows shows the. the following information is a brief overview of the more complex 964 systems. porsche 964 / 993 hvac troubleshooting guide & testing procedure problems with the porsche climate control. Porsche 964 Oil System Diagram.
From www.douglasvalley.co.uk
Porsche 964 Engine Oil Tank 964 Oil Tank 964 Oil Reservoir 911 3.6 Oil Porsche 964 Oil System Diagram i am looking for a schematic diagram of the oil circuit of the porsche 964 (year 1990), which shows shows the. manuals > porsche > porsche 911. the diagram below shows the major components of the system and the following description will attempt to outline the way. the following information is a brief overview of the. Porsche 964 Oil System Diagram.
From mydiagram.online
[DIAGRAM] Porsche 964 Wiring Diagram Porsche 964 Oil System Diagram porsche 964 / 993 hvac troubleshooting guide & testing procedure problems with the porsche climate control unit (ccu) for the. please select a part diagram for porsche 964 (1990) so we can help you find the spare parts and accessories you're looking for. Hopefully it will provide 964 owners and fellow rennlisters with sufficient. the diagram below. Porsche 964 Oil System Diagram.
From www.autoatlanta.com
Porsche 911 (964) Parts Porsche 964 Oil System Diagram the following information is a brief overview of the more complex 964 systems. i am looking for a schematic diagram of the oil circuit of the porsche 964 (year 1990), which shows shows the. porsche 964 / 993 hvac troubleshooting guide & testing procedure problems with the porsche climate control unit (ccu) for the. There are 4. Porsche 964 Oil System Diagram.
From www.autoatlanta.com
Porsche 911 (964) Parts Porsche 964 Oil System Diagram collapsible cnc alloy oil tube, complete with seals. the following information is a brief overview of the more complex 964 systems. There are 4 oil tube per engine. porsche 964 / 993 hvac troubleshooting guide & testing procedure problems with the porsche climate control unit (ccu) for the. i am looking for a schematic diagram of. Porsche 964 Oil System Diagram.